
型號意義

產品簡介
H-150滑閥式真空泵為滑閥式機械真空泵,是抽除一般性氣體或含有少量可凝性蒸汽的氣體(應使用氣鎮裝置)的真空抽氣設備。
H-150滑閥式真空泵的性能規範:幾何抽速為 150L/S,極限壓力為 1Pa(8×10-3 托)。適用於真空冶煉、真空幹燥、真空鍍膜、真空浸漬以及其它真空作業上。它可單獨使用,也可作為其它真空泵的前級泵使用,但不適用於自一容器抽至另一容器作輸送泵用。當抽除含氧過高的、有爆炸性的、對黑色金屬有腐蝕性的、對真空油起化學反應的、有水的、有塵埃的等氣體時,應加附設裝置。
結構與原理
| H-150滑閥式真空泵主要由泵體、滑閥、偏心輪等組成。 | |||||||||||||||
| H-150滑閥式真空泵工作原理圖 | |||||||||||||||
|
|||||||||||||||
| H-150滑閥式真空泵的工作原理 | |||||||||||||||
| 在泵體(1)中裝有滑閥(4),在滑閥內裝有偏心輪(3),偏心輪由通到泵缸外麵的軸(2)帶動旋轉,軸的中心與泵缸中心是重合的,滑閥的外圓在泵缸的內表麵進行滑動,滑閥上部在半圓形的滑閥導軌(5)中自由地上下滑動及左右擺動。因此泵缸被滑閥分為 A、B 兩個室,如上圖所示,若軸按逆時針方向旋轉時,則 A 室逐漸擴大,B 室逐漸縮小,然後 A 室變大,B 室變為小。 另一方麵,滑閥上部是中空的,在A室側開有長方孔,在 A 室擴大期間,氣體就通過滑閥的中空部分,由長方孔流入泵腔A室內。 當滑閥轉向腔的上死點時,原來的B室消失了,A室代替了B室,在原來的A室位置上形成了新的A室。在B室被壓縮的末尾階段,被壓縮的氣體頂開排氣閥(6)排出泵外,如此循環不息就形成了泵的工作。 本型泵設有六組園盤型排氣閥(6)(見結構圖),排氣閥主要由彈簧和閥片等零件組成,當泵腔內的氣體和油從排氣閥排出時,經過油箱(16)內的擋油帽(3)進行油氣分離,氣體排至大氣,油經過濾油器(15)過濾,再由油泵(22)汲入,強壓輸送至小油箱(15),然後才供給軸承、滑閥、泵腔等活動部分,隨著泵的運轉,被壓縮的氣體和油又由排氣閥排出,因此本型泵的潤滑均是自動進行的。泵油除了起潤滑密封作用外,還有一個重要的作用,就是當泵抽吸的氣體量較少時,排氣閥也能進行工作,被壓縮的少量氣體和油一起頂開排氣閥,達到排氣之目的。 泵體、甲、乙泵蓋、偏心輪、滑閥、滑閥導軌均為高強度鑄鐵製成,粗加工後經過人工時效處理消除其內應力,並經精密加工,它們共同形成泵的工作室。軸為優質碳素鋼製成,中間裝有偏心輪;用鍵固定之,軸的一端裝有油泵葉輪,另一端安裝著泵三角皮帶輪,通過三角皮帶與電機連接。 泵的轉動部份及進氣部分的結合麵采用橡膠密封圈密封,泵體與泵蓋之間用紙墊和107樹脂或軟性的平麵密封膠密封。 |
性能參數
幾何抽速 |
L/S |
150 |
極限壓力 |
Pa |
1 |
Torr |
80×10-3 |
|
泵軸轉速 |
r/min |
450 |
配帶電機 |
KW |
15 |
型號 |
Y180L-6 |
|
蒸汽生產率 |
kg/h |
約8.4 |
長期運轉泵入口大壓力 |
Pa |
1.3×104 |
冷卻水消耗量 |
L/h |
700 |
潤滑油 |
牌號 |
1#真空機械泵油 |
存儲量kg |
30 |
|
口徑 |
進氣mm |
100 |
排氣mm |
80 |
|
體積 |
長×寬×高 |
1580×826×1285 |
重量 |
kg |
680 |
| 注:泵的極限壓力係指用壓縮式真空計測得的非可凝性氣體極限分壓力。 | ||
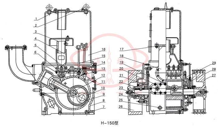
結構圖
![]() |
|||||
序號 |
名稱 |
序號 |
名稱 |
序號 |
名稱 |
1 |
排氣口蓋 |
11 |
長悶蓋 |
21 |
出水管 |
2 |
加油螺塞 |
12 |
軸 |
22 |
油泵組件 |
3 |
擋油帽組件 |
13 |
導軌組件 |
23 |
滾動軸承42312 |
4 |
排氣罩 |
14 |
濾油器組件 |
24 |
乙泵蓋 |
5 |
排氣座 |
15 |
油路組件 |
25 |
1/2"放水螺塞 |
6 |
排氣閥組件 |
16 |
油箱組件 |
26 |
平衡輪 |
7 |
底蓋 |
17 |
進氣口蓋 |
27 |
泵皮帶輪 |
8 |
泵件 |
18 |
進口彎管 |
28 |
密封組件 |
9 |
滑閥 |
19 |
進水管 |
29 |
甲泵蓋 |
10 |
偏心輪 |
20 |
進出水悶蓋 |
||
安裝與使用
1、泵之底座應安裝在混凝土的基礎上,基礎的四周應留有 5 至 10 厘米的槽溝,防止放油或放水時沾汙工場。
2、安裝H-150滑閥式真空泵時必須先校正水平,然後將地腳螺釘擰緊。
3、本泵在使用前須將泵上的一切塵汙全部清除,泵房必須經常保持清潔幹淨,環境溫度應在 5~40℃的範圍內。
4、泵的吸氣口應根據使用情況,安裝防塵裝置,防止抽進玻璃碎片、砂子、金屬片或氧化物等較硬物質,在組裝真空係統時,也要注意到這些雜質。由於滑閥與泵腔內壁之間隙很小,所以不允許有雜質進入,一旦有雜質進入即會發生嚴重事故,因而事先要采取措施。例如設置防塵裝置。
5、泵在粗真空(入口壓力超過 133 Pa(托)時)下工作時,排氣孔要放出油霧,形狀似煙一樣,造成油霧的原因如下:在粗真空下工作時,壓縮室的壓力顯著增高,被排氣體從小的排氣 13 猛烈地衝出,在小孔和排氣閥近旁的油根據和噴霧器同樣的原理被霧化,和氣體一起被排拙泵外。這油霧不管現象大小,基本上都是有的,另外產生這種油霧,對於泵並沒有任何不良影響,但是這種油霧擴散於室內空氣中,不但能汙染空氣,而且能毀損室內的地板和器具,為了防止這種汙損,所以在安裝時需將排氣管接到室外。室外排氣管出口應朝下,避免雨水滴入。
6、進氣管道應該非常嚴密,即使微小的泄漏都會影響真空度。
進氣管路原則上盡可能短,少用接頭和彎頭,與泵聯接的管道不應小於泵的口徑。
7、冷卻水進水管路上應裝閥門,可以調節少量,控製在工作時泵水套中的冷卻水溫度在 20~40℃之間即可,注意水溫應不超過 40℃,以免在水套內產生沉垢。
8、被抽氣體如高於 40℃,應把氣體冷卻至常溫。
9、泵工作時,溫度不得超過 85℃。
10、泵在一般工況下運轉時,油位應在油箱上油標的一半左右範圍內,不足時應加油補充。
11、泵換油時,應將 1kg 左右的油加於泵進氣口,其餘的油則通過油箱上的加油孔加入。
12、在泵上方應用 300 m m 的淨空高度,即在泵排氣口處先聯接 300 mm 高的管子。再聯接排氣通道。這樣在拆泵時,隻要拆除管子,而無需搬動排氣通道,就可拆裝油箱。
啟動與停車
一、起動前的準備
(1)檢查皮帶鬆緊程度起動前可以鬆一些,起動後調節底座上調節螺栓,慢慢拉緊,以減少起動力矩。
(2)檢查各部分有無鬆動現象、電機轉向是否同泵的要求符合。
(3)檢查油箱內的油位是否在油箱上的油標一半左右。
(4)對於長期未工作的泵,起動前應用間斷起動電機的方法,檢查轉動是否靈活。
(5)打開冷卻水閥。
(6)冬季如室溫過低,應把泵加溫後再起動泵,因低溫時油粘度大,如突然起動,會使電機過負荷和損壞泵的零件。
(7)如油箱上的油鏡油位與停車時油位有顯著差異時,必須轉動泵皮帶輪,使泵腔內的存油排入油箱後才可起動。在真空狀態下,同時較多的油存留在泵腔內時,本泵不允許起動。
二、起動
(1)合上電源的開關、起動電機。
(2)檢查冷卻水是否正常、潤滑油是否正常。
(3)運轉約五分鍾且各方麵均正常後,再慢慢打開進氣閥,以免泵的負荷急劇增加。
三、停車
泵的停車尤為重要,否則下次起動就有困難,停車原則上要按下列程序進行:
(1)關閉進氣管路上進氣閥。
(2)打開充氣閥破壞泵內真空。
(3)待半分鍾左右,切斷電源。
以上手續不能馬虎,否則當泵停車後由於泵腔中還是真空,油箱中的油就會源源不斷地流入泵腔,使泵腔中充滿了油,從停車觀點來看這無多大危害,但在重新開車時就出現問題了,即在泵缸內充滿油的狀態下開車時,轉子在轉過第一圈時幾乎全部油都要從排氣口衝出,另一方麵,由於油幾乎不能被壓縮,而且粘性較大,一下子就從泵的小排氣口擠出來,所受阻力非常大,因此不能電動機要求非常大的起動力矩,而且在瞬間使軸及偏心輪增加巨大衝擊力,對泵及電動機都是非常危險的,尤其是環境溫度較低時更加如此。如按上述程序操作、可避免以上危險。
注意事項
一、保養
(1)應經常注意油位及油的清潔,新泵工作 150 小時後換油一次,以後每 2~3 個月換油一次。如使用條件不好,真空度下降時,可以縮短換油時間。
(2)應經常保持泵及泵房的幹燥清潔。
(3)經常注意泵溫及冷卻水和油的溫度。
二、注意事項
(1)在寒冷地帶,停車後必須將冷卻水套內的水全部排淨,否則會使水套內的水凍結,破壞泵殼。
(2)潤滑油應用機械真空泵油(即石油部規定的 SY1634-76,1 號真空泵油,其代號 KK-1),否則達不到所要求之真空度。
(3)注意油的清潔,經常清洗濾油器中的銅絲網。
(4)如較長時間不使用時,則每隔 7~10 天開泵一次,開泵時間約一小時左右,以免泵內鏽蝕。
拆禦與裝配
拆卸程序:(應先放水及放油)
(1)防護罩。
(2)泵三角皮帶輪,平衡輪.
(3)油管及油泵。
(4)軸承蓋及密封裝置
(5)甲、乙泵蓋(連軸承一起拆下)。
(6)滑閥及滑閥導軌組件。
(7)偏心輪、平鍵及軸。
排氣閥拆卸程序:
(1)螺栓
(2)閥蓋
(3)閥體
(4)其餘零件則自行分離。裝配時,則次序相反。
拆卸與裝配應注意:
(1)不能直接用榔頭敲打加工麵。
(2)防止碰傷敲毛。
(3)裝入時要仔細清洗零件,直至用白布揩刷沒有汙跡時才可裝入。
(4)注意密封麵不能漏氣及漏油。
故障現象及排除方法
故障現象 |
產生原因 |
排除方法 |
1.真空度不高 |
(1)油被汙染 (2)密封裝置漏氣 (3)油管接頭漏氣 (4)排氣閥片損壞 (5)排氣閥彈簧斷裂 (6)各密封麵漏氣 (7)泵內有撞擊、卡緊、異聲 (8)油路阻塞 (9)吸入氣體溫度過高 (10)泵油量不足 |
(1)打開氣鎮閥運轉 1~2 小時可恢複泵的極限壓力或調換全部新油 (2)修理或更換密封裝置 (3)旋緊螺母 (4)換新閥片 (5)換新彈簧 (6)旋緊螺絲 (7)修理滑閥導軌,清洗所有零件 (8)清洗濾油器濾網及油路 (9)冷卻至常溫 (10)加油 |
2.轉動故障 |
(1)電機負荷過大或保險絲燒斷 (2)缺乏潤滑油 (3)外物夾住 (4)振動很大 |
(1)找出負荷過大和燒斷原因,調換保險絲 (2)暢通油路,拆洗泵內零件。加真空油 (3)清除外麵雜物 (4))加固地基底座,檢查緊固螺栓 |
3.運行事故 |
(1)軸承發熱 (2)排氣閥和油管發熱 |
(1)稍鬆皮帶或檢查油路是否阻塞,冷卻水是否足夠 (2)開大冷卻水閥 |
4.泵運轉有異常噪聲 |
(1)異物落入泵內 (2)泵零件鬆動或損壞 |
(1)拆開檢查並清除 (2)檢查調整或更換零件 |