
型號意義

產品簡介
JMZ自吸酒泵屬自吸酒泵的一種,是按照用戶新要求,采用新型機械密封組裝,安裝防爆,長年不漏,
JMZ自吸酒泵適合輸送(-35~+120℃)的各種酒精、飲料、乳品、藥劑、汽油、溶劑油、糖漿等行業。
FMZ自吸化工泵適合輸送(-35~+120℃)的濃漿、酸、堿、鹽等化工液體。
本泵具有結構緊湊、操作簡便、自吸性能好、體積小、重量輕、性能穩定、不用底閥、起動時不需引灌等特點。是國內的新一代產品。具有廣闊的應用市場和發展前景。
產品特點
JMZ自吸酒泵屬自吸式離心泵,它具有結構簡單、操作方便、運行平穩、維護容易、效率高、壽(shou)命(ming)長(chang)具(ju)有(you)較(jiao)強(qiang)的(de)自(zi)吸(xi)能(neng)力(li)等(deng)優(you)點(dian)。管(guan)路(lu)中(zhong)不(bu)需(xu)底(di)閥(fa),工(gong)作(zuo)前(qian)隻(zhi)需(xu)保(bao)證(zheng)泵(beng)體(ti)內(nei)儲(chu)有(you)定(ding)量(liang)引(yin)油(you)即(ji)可(ke)。用(yong)於(yu)油(you)輪(lun)或(huo)輸(shu)水(shui)船(chuan)舶(bo)上(shang)時(shi),可(ke)兼(jian)作(zuo)掃(sao)艙(cang)泵(beng),掃(sao)艙(cang)效(xiao)果(guo)良(liang)好(hao)。
JMZ自zi吸xi酒jiu泵beng是shi選xuan用yong優you質zhi材cai料liao精jing製zhi而er成cheng,密mi封feng采cai用yong硬ying質zhi合he金jin機ji械xie密mi封feng,經jing久jiu耐nai用yong,吐tu出chu管guan路lu不bu需xu要yao安an裝zhuang安an全quan閥fa,吸xi入ru管guan路lu不bu需xu要yao安an裝zhuang底di閥fa,因yin此ci簡jian化hua了le管guan路lu係xi統tong,又you改gai善shan了le勞lao動dong條tiao件jian。
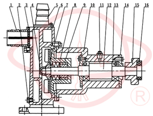
結構圖
![]() |
1 |
束節式蓋頭 |
9 |
機械密封 |
2 |
放液螺絲 |
10 |
軸承體 |
|
3 |
阻水閥 |
11 |
黃油咀 |
|
4 |
葉輪螺母 |
12 |
泵軸 |
|
5 |
束節式出口 |
13 |
軸承 |
|
6 |
泵體 |
14 |
壓蓋 |
|
7 |
葉輪 |
15 |
聯軸器 |
|
8 |
泵蓋 |
16 |
彈性塊 |
|
| 1.自吸酒泵的主要零件有:泵體、葉輪、泵軸、機械密封、懸架等。 2.自吸酒泵的旋轉方麵,從進口方麵看為逆時針方麵。 3.自吸酒泵的安裝形式:有固定和移動式。固定式自吸酒泵進出口一般用法蘭式;移動式自吸酒泵進出口一般用束節式。 (注意:固定式水泵法蘭一般才用6公斤壓力法蘭)。 |
||||
型譜圖
![]() |
性能參數
型號 |
進口(mm) |
出口(mm) |
流量(m3/h) |
揚程(H) |
吸程(m) |
轉速(r/min) |
配套功率(KW) |
25JMZ-22 |
25 |
25 |
3 |
22 |
5 |
2900 |
1.1 |
25JMZ-30 |
25 |
25 |
3 |
30 |
6 |
2900 |
1.5 |
40JMZ-22 |
40 |
25 |
6 |
22 |
5 |
2900 |
1.5 |
40JMZ-30 |
40 |
25 |
6 |
30 |
6 |
2900 |
2.2 |
40JMZ-40 |
40 |
25 |
6 |
40 |
6 |
2900 |
3 |
50JMZ-22 |
50 |
40 |
12 |
22 |
5 |
2900 |
2.2 |
50JMZ-30T |
50 |
50 |
20 |
30 |
6 |
2900 |
4 |
50JMZ-40 |
50 |
40 |
12 |
40 |
6 |
2900 |
4 |
65JMZ-22 |
65 |
50 |
24 |
22 |
5 |
2900 |
4 |
65JMZ-30T |
65 |
65 |
30 |
30 |
6 |
2900 |
5.5 |
80JMZ-22 |
80 |
65 |
48 |
22 |
5 |
2900 |
5.5 |
80JMZ-30 |
80 |
65 |
48 |
30 |
5 |
2900 |
7.5 |
100JMZ-22 |
100 |
80 |
80 |
22 |
5 |
2900 |
11 |
100JMZ-30 |
100 |
80 |
100 |
30 |
5 |
2900 |
15 |
150JMZ-22 |
150 |
125 |
160 |
22 |
5 |
2900 |
15 |
150JMZ-30 |
150 |
125 |
160 |
30 |
5 |
2900 |
22 |
200JMZ-22 |
200 |
150 |
200 |
22 |
5 |
1450 |
18.5 |
200JMZ-30 |
200 |
150 |
200 |
30 |
5 |
1450 |
30 |
使用說明
1.本單位泵出廠時一般都已配好三相電機,用戶接上380V電源,轉向正確,便可使用。(如需配單相電機,應在訂購時說明,單相電機隻能接220V電源使用。)
2.泵第一次使用前必須從排氣羅塞處把泵體注滿溶液。旋緊羅絲,再按轉向標誌,啟動電機,按吸程高低不同一般需要2~4分fen鍾zhong,自zi動dong排pai完wan空kong氣qi,輸shu送song液ye體ti,下xia次ci啟qi動dong則ze不bu需xu引yin灌guan。長chang期qi不bu用yong的de泵beng啟qi動dong時shi,應ying先xian打da開kai加jia水shui羅luo絲si,檢jian查zha泵beng體ti是shi否fou存cun在zai液ye體ti,如ru不bu足zu請qing補bu滿man。
3.嚴禁泵體內無液體,啟動電機,以防機械密封磨擦,發熱燒壞。
4.泵起動前,應用於旋轉聯軸器,檢查是否旋轉靈活,如果阻力大,應查明原因,處理後才可合閘啟動。
5.運轉後,觀察密封部位是否有泄漏,如有輕微泄漏,可讓其跑合10~20分鍾,等動靜環端麵磨合均勻後一般可解決,否則應拆開逐項檢查,重新安裝。
6.輸送酸類濃漿,停車後應用清水衝洗,以減少積存酸、堿液體對泵和管道的腐蝕,尤其可以避免介質沉澱在密封動靜環上,造成下次起動時咬靜環。
7.泵的主軸和轉動部件應保持清潔,軸承體內每年要補充2~3次黃油,數一量以加滿黃油室的40%為宜。
8.泵上配套的電機,請注意防潮、防腐蝕、更換電機時,新電機的容和轉速必須與原來的一致。
安裝與拆禦
1.泵可按“泵外形安裝尺寸表”進行打基礎和確定底腳螺栓位置。但是等泵運到現場後按底座尺寸進行
施工。
2.泵(beng)裝(zhuang)於(yu)基(ji)礎(chu)上(shang),可(ke)用(yong)墊(dian)鐵(tie)調(tiao)整(zheng)機(ji)組(zu)水(shui)平(ping),用(yong)水(shui)平(ping)儀(yi)檢(jian)查(zha)泵(beng)和(he)電(dian)機(ji)軸(zhou)的(de)水(shui)平(ping),要(yao)重(zhong)新(xin)檢(jian)查(zha)和(he)調(tiao)整(zheng)泵(beng)軸(zhou)心(xin)和(he)電(dian)機(ji)軸(zhou)心(xin)的(de)同(tong)度(du)度(du),用(yong)刀(dao)口(kou)平(ping)尺(chi)和(he)塞(sai)尺(chi)檢(jian)查(zha)泵(beng)和(he)聯(lian)軸(zhou)器(qi)外(wai)圓(yuan)、上、下、左、右的差數均不得超過0.1 5毫米。兩聯軸器端麵間隙偏差不超過0.2毫米。
3.不應用泵承受管路重量,管路重量應有管路支撐設備承受。
4.按裝結束應用手轉動聯軸器是否輕鬆靈活,有無卡滯現象。
拆裝
1.擰下軸承體與泵體連接的四個螺絲,舊時將機械密封和泵蓋鬆開。
2.擰開葉輪螺坶(右旋)取下葉輪、鍵和泵蓋,再將機械密封從泵溢蓋中取下。
3.用拉子拉下聯軸器然後拆下鍵,軸承端溢,然後將軸和軸承拆開。
4.泵的裝裝配順序按上述相反進行。
5.自吸酒泵的進口束節重裝時,請注意阻水閥應向正麵,以便與阻水閥正麵貼合保證白吸效果(見右下圖)。
![]() |
機械密封安裝
1.更換機械密封時,應注意規格,型號都要與原來的相符。
2.在安裝機械密封過程中,應保持清潔,不許敲打密封原件,以防損傷和破壞。
3.安裝大小密封圈和動靜環時軸表麵應塗上一層清潔的機油和透明油。
4.將靜環和大膠圈裝入泵蓋,然後一起-裝上軸上(注意:動環銷必須對準葉輪的傳動孔)。
5.將彈簧座、彈簧、推環組成一體、以彈簧座端麵為作力點,將其推上主軸,其推力以彈簧壓縮2—4mm後在軸上滑動為宜。如彈簧尚未壓縮,即可滑動,則表示動環與主軸配合偏鬆,摩擦力偏小,如彈簧壓縮6mm以上,動環和密封圈仍不能在軸上滑動,則說明其配合偏緊,應以檢查機械密封是否與原來的相符合。
故障和排除方法
故障 |
原因 |
解決方法 |
不出液 |
1.泵內沒有灌注滿啟動液。 2.吸入管、壓出管或泵的流道堵塞。 3.吸入管路漏氣。 4.吸上高度超過允許範圍。 5.使用揚程超過了設計揚程。 6.輸送熱地、發揮性介質。 7.轉向反了。 8.機械密封漏氣。 |
1.重新灌滿液體。(第二次啟動則不必灌液) 2.清除雜物。 3.檢修和更換吸入管路。 4.按允許吸上二高度藿新安裝泵 。 5.重新選泵。 6.降低吸程或采用取倒灌安裝。 7.糾正轉向。 8.檢修或更換機械密封。 |
自吸時間長 |
1.液體溫度過高。 2.吸入管道過長。 3.進口管道有型彎曲。 4.出口淹沒在液體中。 |
1.液體溫度降至40℃以下。 2.盡量縮短管道。 3.去除所有Q型管道。 4.使出口與大氣相通。 |
流量不夠 |
1.吸入管浸泡的深度不夠。 2.吸入管路太細或有雜物堵塞。 3.葉輪嚴重磨損或嚴重腐蝕。 4.密封環有嚴重磨損或腐蝕。 5.葉輪與泵蓋間隙太大。 |
1.增加吸入管的浸入深度。 2.換合適管路,清除雜物。 3.換新葉輪。 4.換新密封環。 5.減少間隙。 |
揚程不夠 |
1.葉輪腐蝕嚴重。 2.電機配錯。 3.葉輪與泵蓋間隙太大。 |
1.換新葉輪。 2.更換電機。 3.減少間隙。 |
軸承過熱 |
1.潤滑油不夠或太多。 2.泵軸與電機軸不同心。 3.軸承損壞。 4.軸承質量不符。 |
1.潤滑油應上密封腔的30-40%。 2.調整,使泵軸與電機軸同心。 3.換新軸承。 4.換低噪音軸承。 |
振動嚴重 |
1.泵軸與電機軸不同心。 2.泵軸彎曲。 |
1.調整,使泵軸與電機軸同心。 2.重新換軸。 |
密封泄漏 |
1.彈簧壓力不足。 2.動環或靜環端腐蝕、磨損或劃傷。 3.動環密封圈腐蝕變形。 4.異物或介質結晶影響了動環的軸向移動。 |
1.調整彈簧壓縮量或換彈簧。 2.修複或更換動環或靜環。 3.重新換動環密封圈。 4.去除異物或介質的結晶。 |
電機過熱 |
1.液體比重大或溫度太高。 2.機械密封彈簧調的太緊。 3.電壓過低。 4.裝配質量差,有些零件磨擦,或電機與泵軸的不同心。 |
1.加大電機。 2.重新調整彈簧壓縮量。 3.提高電壓。 4.檢查裝配質量,排除裝配故障。 |