
型號意義

產品簡介
LG立式便拆高層建築給水清水多級泵是根據高層建築恒壓供水及消防行業的實際需要開發的新一代給水產品。
LG立式便拆高層建築給水清水多級泵采用的水力模型,經過本廠技術人員的精心設計,因此該泵效率高、性能穩定、噪音低、使用壽命長、外型美觀、占地麵積少、維修方便、重量輕等優點;
LG立式便拆高層建築給水清水多級泵由電機和泵聯結而成,泵軸與電機軸用夾殼式聯軸器聯結,確保泵與電機絕對同軸使泵運行平穩、噪音低等現象。
電機為Y型三相異步電機,方便用戶更換,整體為剛性連接,使用時無需校正。軸封采用機械密封,泵為便拆式結構方便更換機械密封。
LG便拆式高層建築給水多級泵旋轉方向從電機端向下看為順時針方向轉動。
產品特點
1、LG立式便拆高層建築給水清水多級泵結構緊湊、體積小、外形美觀,其結構決定安裝占地麵積小,如加上防護罩可置於戶外使用。
2、葉輪直接安裝在電機軸上,從而保證泵的同心度,因而增強了泵的運行穩定性和延長泵的使用壽命。
3、軸封采用機械密封或機械密封的組合,采用優質的質合金密封環,增強了密封的耐磨性能有效地延長壽命。
4、安裝檢修方便,無需拆動管路係統。泵進口和出口為相同口徑,簡化了管路的連接。
5、可根據流量和揚程的需要采用泵的串、並聯運行方式。
6、可根據需要,吸入口和吐出口可安裝成0°、90°、180°、270°幾個不同方向以滿足不同的連接場合。
7、泵揚程可根據需要增減水泵級數並結合切割葉輪外徑予以滿足,而不改變安裝占地麵積。
產品用途
LG立式便拆高層建築給水清水多級泵特別適用於住宅、賓館、辦公大樓等高層建築恒壓供水、消防、噴淋給水設備配套用泵;也適用於化工流程冷卻塔的自動補水;係統穩壓、生產工藝循環用水、遠距離輸送、鍋爐給水等給水設備之用。
可輸送的液體為常溫(<80℃)(熱水型可輸送溫度小於105度的介質)清水或物理、化學性質類似於水的常溫介質。
使用條件
1、使用的介質應類似水,運動粘度<150mm2/s,且無堅硬顆粒,無腐蝕性質;
2、使用的環境海拔高度<1000米,超過時應在訂貨進提出,以便本廠為您提供更為可靠的產品;
3、介質使用溫度-15℃~120℃;
4、大係統工作壓力≤2.5MPa;
5、周圍環境溫度應低於40℃,相對濕度低於95%。
結構說明
1、LG立式便拆高層建築給水清水多級泵結構緊湊,體積小,外形美觀,占地麵積小,節省建築費用;
2、LG立式便拆高層建築給水清水多級泵的吸入口和出水口在同一中心線上,簡化管路的連接;
3、根據實際情況,泵的進出口可裝配成90°、180°、270°不同的方向;
4、根據實際情況,泵的出口可裝配成1~5個出口,以滿足同一台泵上獲得不同的揚程;
結構示意圖
![]() |
序號 |
名稱 |
材料或型號 |
序號 |
名稱 |
材料或型號 |
1 |
電機 |
Y係列(V5)2極 |
9 |
軸套 |
Q235 |
|
2 |
電機架 |
HT200 |
10 |
中段 |
HT200 |
|
3 |
聯軸器 |
HT200 |
11 |
導葉 |
HT200 |
|
4 |
機封壓蓋 |
HT200 |
12 |
葉輪 |
HT200 |
|
5 |
放氣閥 |
銅合金 |
13 |
軸 |
45、2Cr13 |
|
6 |
機械密封 |
120A |
14 |
軸承 |
錫青銅 |
|
7 |
末導葉 |
HT200 |
15 |
進水段 |
HT200 |
|
8 |
出水段 |
HT200 |
性能參數
型號 |
級數 |
流量 |
揚程 |
轉速 |
電機功率 |
效率 |
重量 |
必需汽蝕餘量 |
(m3/h) |
(M) |
(r/min) |
(kw) |
(%) |
Kg |
(NPSH)r(m) |
||
25LG(R)3-10*2 |
2 |
3 |
20 |
2900 |
0.75 |
42 |
70 |
2.0 |
25LG(R)3-10*3 |
3 |
3 |
30 |
2900 |
1.1 |
42 |
74 |
2.0 |
25LG(R)3-10*4 |
4 |
3 |
40 |
2900 |
1.5 |
42 |
85 |
2.0 |
25LG(R)3-10*5 |
5 |
3 |
50 |
2900 |
1.5 |
42 |
89 |
2.0 |
25LG(R)3-10*6 |
6 |
3 |
60 |
2900 |
2.2 |
42 |
100 |
2.0 |
25LG(R)3-10*7 |
7 |
3 |
70 |
2900 |
2.2 |
42 |
104 |
2.0 |
25LG(R)3-10*8 |
8 |
3 |
80 |
2900 |
2.2 |
42 |
108 |
2.0 |
25LG(R)3-10*9 |
9 |
3 |
90 |
2900 |
2.2 |
42 |
112 |
2.0 |
25LG(R)3-10*10 |
10 |
3 |
100 |
2900 |
3 |
42 |
125 |
2.0 |
25LG(R)3-10*11 |
11 |
3 |
110 |
2900 |
3 |
42 |
129 |
2.0 |
25LG(R)3-10*12 |
12 |
3 |
120 |
2900 |
4 |
42 |
145 |
2.0 |
25LG(R)3-10*13 |
13 |
3 |
130 |
2900 |
4 |
42 |
149 |
2.0 |
25LG(R)3-10*14 |
14 |
3 |
140 |
2900 |
4 |
42 |
153 |
2.0 |
25LG(R)3-10*15 |
15 |
3 |
150 |
2900 |
4 |
42 |
157 |
2.0 |
型號 |
級數 |
流量 |
揚程 |
轉速 |
電機功率 |
效率 |
重量 |
必需汽蝕餘量 |
(m3/h) |
(M) |
(r/min) |
(kw) |
(%) |
Kg |
(NPSH)r(m) |
||
32LG(R)6.5-15*2 |
2 |
6.5 |
30 |
2900 |
1.5 |
53 |
90 |
2.4 |
32LG(R)6.5-15*3 |
3 |
6.5 |
45 |
2900 |
2.2 |
53 |
100 |
2.4 |
32LG(R)6.5-15*4 |
4 |
6.5 |
60 |
2900 |
3 |
53 |
115 |
2.4 |
32LG(R)6.5-15*5 |
5 |
6.5 |
75 |
2900 |
4 |
53 |
135 |
2.4 |
32LG(R)6.5-15*6 |
6 |
6.5 |
90 |
2900 |
4 |
53 |
142 |
2.4 |
32LG(R)6.5-15*7 |
7 |
6.5 |
105 |
2900 |
5.5 |
53 |
175 |
2.4 |
32LG(R)6.5-15*8 |
8 |
6.5 |
120 |
2900 |
5.5 |
53 |
182 |
2.4 |
32LG(R)6.5-15*9 |
9 |
6.5 |
135 |
2900 |
5.5 |
53 |
190 |
2.4 |
32LG(R)6.5-15*10 |
10 |
6.5 |
150 |
2900 |
7.5 |
53 |
210 |
2.4 |
40LG(R)12-15*2 |
2 |
12 |
30 |
2900 |
2.2 |
60 |
90 |
2.9 |
40LG(R)12-15*3 |
3 |
12 |
45 |
2900 |
3 |
60 |
105 |
2.9 |
40LG(R)12-15*4 |
4 |
12 |
60 |
2900 |
4 |
60 |
130 |
2.9 |
40LG(R)12-15*5 |
5 |
12 |
75 |
2900 |
5.5 |
60 |
155 |
2.9 |
40LG(R)12-15*6 |
6 |
12 |
90 |
2900 |
5.5 |
60 |
163 |
2.9 |
40LG(R)12-15*7 |
7 |
12 |
105 |
2900 |
7.5 |
60 |
180 |
2.9 |
40LG(R)12-15*8 |
8 |
12 |
120 |
2900 |
7.5 |
60 |
190 |
2.9 |
40LG(R)12-15*9 |
9 |
12 |
135 |
2900 |
11 |
60 |
215 |
2.9 |
40LG(R)12-15*10 |
10 |
12 |
150 |
2900 |
11 |
60 |
225 |
2.9 |
型號 |
級數 |
流量 |
揚程 |
轉速 |
電機功率 |
效率 |
重量 |
必需汽蝕餘量 |
(m3/h) |
(M) |
(r/min) |
(kw) |
(%) |
Kg |
(NPSH)r(m) |
||
50LG(R)24-20*2 |
2 |
24 |
40 |
2900 |
5.5 |
69 |
160 |
3.2 |
50LG(R)24-20*3 |
3 |
24 |
60 |
2900 |
7.5 |
69 |
180 |
3.2 |
50LG(R)24-20*4 |
4 |
24 |
80 |
2900 |
11 |
69 |
250 |
3.2 |
50LG(R)24-20*5 |
5 |
24 |
100 |
2900 |
11 |
69 |
260 |
3.2 |
50LG(R)24-20*6 |
6 |
24 |
120 |
2900 |
15 |
69 |
280 |
3.2 |
50LG(R)24-20*7 |
7 |
24 |
140 |
2900 |
15 |
69 |
290 |
3.2 |
50LG(R)24-20*8 |
8 |
24 |
160 |
2900 |
18.5 |
69 |
315 |
3.2 |
65LG(R)36-20*2 |
2 |
36 |
40 |
2900 |
7.5 |
72 |
170 |
3.4 |
65LG(R)36-20*3 |
3 |
36 |
60 |
2900 |
11 |
72 |
230 |
3.4 |
65LG(R)36-20*4 |
4 |
36 |
80 |
2900 |
15 |
72 |
250 |
3.4 |
65LG(R)36-20*5 |
5 |
36 |
100 |
2900 |
18.5 |
72 |
280 |
3.4 |
65LG(R)36-20*6 |
6 |
36 |
120 |
2900 |
22 |
72 |
330 |
3.4 |
65LG(R)36-20*7 |
7 |
36 |
140 |
2900 |
22 |
72 |
345 |
3.4 |
65LG(R)36-20*8 |
8 |
36 |
160 |
2900 |
30 |
72 |
395 |
3.4 |
型號 |
級數 |
流量 |
揚程 |
轉速 |
電機功率 |
效率 |
重量 |
必需汽蝕餘量 |
(m3/h) |
(M) |
(r/min) |
(kw) |
(%) |
Kg |
(NPSH)r(m) |
||
80LG(R)50-20*2 |
2 |
50 |
40 |
2900 |
11 |
73 |
250 |
3.4 |
80LG(R)50-20*3 |
3 |
50 |
60 |
2900 |
15 |
73 |
280 |
3.4 |
80LG(R)50-20*4 |
4 |
50 |
80 |
2900 |
18.5 |
73 |
310 |
3.4 |
80LG(R)50-20*5 |
5 |
50 |
100 |
2900 |
22 |
73 |
360 |
3.4 |
80LG(R)50-20*6 |
6 |
50 |
120 |
2900 |
30 |
73 |
440 |
3.4 |
80LG(R)50-20*7 |
7 |
50 |
140 |
2900 |
30 |
73 |
460 |
|
80LG(R)50-20*8 |
8 |
50 |
160 |
2900 |
37 |
73 |
490 |
|
100LG72-20*2 |
2 |
72 |
40 |
2900 |
11 |
73 |
260 |
3.5 |
100LG72-20*3 |
3 |
72 |
60 |
2900 |
18.5 |
73 |
290 |
3.5 |
100LG72-20*4 |
4 |
72 |
80 |
2900 |
22.0 |
73 |
380 |
3.5 |
100LG72-20*5 |
5 |
72 |
100 |
2900 |
30.0 |
73 |
450 |
3.5 |
100LG72-20*6 |
6 |
72 |
120 |
2900 |
37.0 |
73 |
470 |
3.5 |
100LG72-20*7 |
7 |
72 |
140 |
2900 |
45.0 |
73 |
520 |
3.5 |
100LG72-20*8 |
8 |
72 |
160 |
2900 |
45.0 |
73 |
540 |
3.5 |
100LG72-20*9 |
9 |
72 |
180 |
2900 |
55.0 |
73 |
3.5 |
|
型號 |
級數 |
流量 |
揚程 |
轉速 |
電機功率 |
效率 |
重量 |
必需汽蝕餘量 |
(m3/h) |
(M) |
(r/min) |
(kw) |
(%) |
Kg |
(NPSH)r(m) |
||
100LG100-20*2 |
2 |
100 |
40 |
2900 |
18.5 |
76 |
3.7 |
|
100LG100-20*3 |
3 |
100 |
60 |
2900 |
30 |
76 |
3.7 |
|
100LG100-20*4 |
4 |
100 |
80 |
2900 |
37 |
76 |
3.7 |
|
100LG100-20*5 |
5 |
100 |
100 |
2900 |
45 |
76 |
3.7 |
|
100LG100-20*6 |
6 |
100 |
120 |
2900 |
55 |
76 |
3.7 |
|
100LG100-20*7 |
7 |
100 |
140 |
2900 |
75 |
76 |
3.7 |
|
100LG100-20*8 |
8 |
100 |
160 |
2900 |
75 |
76 |
3.7 |
|
150LG150-20*2 |
2 |
150 |
40 |
2900 |
30 |
77 |
4.1 |
|
150LG150-20*3 |
3 |
150 |
60 |
2900 |
37 |
77 |
4.1 |
|
150LG150-20*4 |
4 |
150 |
80 |
2900 |
45 |
77 |
4.1 |
|
150LG150-20*5 |
5 |
150 |
100 |
2900 |
55 |
77 |
4.1 |
|
150LG150-20*6 |
6 |
150 |
120 |
2900 |
75 |
77 |
4.1 |
|
150LG150-20*7 |
7 |
150 |
140 |
2900 |
90 |
77 |
4.1 |
|
150LG150-20*8 |
8 |
150 |
160 |
2900 |
90 |
77 |
4.1 |
|
150LG150-20*9 |
9 |
150 |
180 |
2900 |
110 |
77 |
4.1 |
|
150LG150-20*10 |
10 |
150 |
200 |
2900 |
132 |
77 |
4.1 |
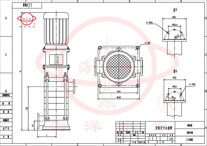
安裝尺寸
![]() |
||||||||||||||||
型號 |
級數 |
L |
H |
H1 |
H2 |
B |
b |
n-φd |
進口法蘭 |
出口法蘭 |
||||||
Dj |
Djn |
Dj2 |
n-dj |
Dc |
Dcn |
Dc2 |
n-φdc |
|||||||||
25LG(R)3-10 |
2 |
130 |
630 |
85 |
180 |
230 |
190 |
4-φ18 |
115 |
25 |
85 |
4-M12 |
115 |
25 |
85 |
4-φ14 |
25LG(R)3-10 |
3 |
130 |
670 |
85 |
220 |
230 |
190 |
4-φ18 |
115 |
25 |
85 |
4-M12 |
115 |
25 |
85 |
4-φ14 |
25LG(R)3-10 |
4 |
130 |
710 |
85 |
260 |
230 |
190 |
4-φ18 |
115 |
25 |
85 |
4-M12 |
115 |
25 |
85 |
4-φ14 |
25LG(R)3-10 |
5 |
130 |
755 |
85 |
305 |
230 |
190 |
4-φ18 |
115 |
25 |
85 |
4-M12 |
115 |
25 |
85 |
4-φ14 |
25LG(R)3-10 |
6 |
130 |
825 |
85 |
340 |
230 |
190 |
4-φ18 |
115 |
25 |
85 |
4-M12 |
115 |
25 |
85 |
4-φ14 |
25LG(R)3-10 |
7 |
130 |
865 |
85 |
380 |
230 |
190 |
4-φ18 |
115 |
25 |
85 |
4-M12 |
115 |
25 |
85 |
4-φ14 |
25LG(R)3-10 |
8 |
130 |
900 |
85 |
425 |
230 |
190 |
4-φ18 |
115 |
25 |
85 |
4-M12 |
115 |
25 |
85 |
4-φ14 |
25LG(R)3-10 |
9 |
130 |
945 |
85 |
460 |
230 |
190 |
4-φ18 |
115 |
25 |
85 |
4-M12 |
115 |
25 |
85 |
4-φ14 |
25LG(R)3-10 |
10 |
130 |
1020 |
85 |
500 |
230 |
190 |
4-φ18 |
115 |
25 |
85 |
4-M12 |
115 |
25 |
85 |
4-φ14 |
25LG(R)3-10 |
11 |
130 |
1060 |
85 |
540 |
230 |
190 |
4-φ18 |
115 |
25 |
85 |
4-M12 |
115 |
25 |
85 |
4-φ14 |
25LG(R)3-10 |
12 |
130 |
1120 |
85 |
580 |
230 |
190 |
4-φ18 |
115 |
25 |
85 |
4-M12 |
115 |
25 |
85 |
4-φ14 |
25LG(R)3-10 |
13 |
130 |
1160 |
85 |
620 |
230 |
190 |
4-φ18 |
115 |
25 |
85 |
4-M12 |
115 |
25 |
85 |
4-φ14 |
25LG(R)3-10 |
14 |
130 |
1200 |
85 |
660 |
230 |
190 |
4-φ18 |
115 |
25 |
85 |
4-M12 |
115 |
25 |
85 |
4-φ14 |
25LG(R)3-10 |
15 |
130 |
1240 |
85 |
700 |
230 |
190 |
4-φ18 |
115 |
25 |
85 |
4-M12 |
115 |
25 |
85 |
4-φ14 |
型號 |
級數 |
L |
H |
H1 |
H2 |
B |
b |
n-φd |
進口法蘭 |
出口法蘭 |
||||||
Dj |
Djn |
Dj2 |
n-dj |
Dc |
Dcn |
Dc2 |
n-φdc |
|||||||||
32LG(R)6.5-15 |
2 |
145 |
665 |
63 |
179 |
260 |
220 |
4-φ18 |
140 |
32 |
100 |
4-M16 |
140 |
32 |
100 |
4-φ18 |
32LG(R)6.5-15 |
3 |
145 |
740 |
63 |
229 |
260 |
220 |
4-φ18 |
140 |
32 |
100 |
4-M16 |
140 |
32 |
100 |
4-φ18 |
32LG(R)6.5-15 |
4 |
145 |
825 |
63 |
279 |
260 |
220 |
4-φ18 |
140 |
32 |
100 |
4-M16 |
140 |
32 |
100 |
4-φ18 |
32LG(R)6.5-15 |
5 |
145 |
895 |
63 |
329 |
260 |
220 |
4-φ18 |
140 |
32 |
100 |
4-M16 |
140 |
32 |
100 |
4-φ18 |
32LG(R)6.5-15 |
6 |
145 |
945 |
63 |
379 |
260 |
220 |
4-φ18 |
140 |
32 |
100 |
4-M16 |
140 |
32 |
100 |
4-φ18 |
32LG(R)6.5-15 |
7 |
145 |
1070 |
63 |
429 |
260 |
220 |
4-φ18 |
140 |
32 |
100 |
4-M16 |
140 |
32 |
100 |
4-φ18 |
32LG(R)6.5-15 |
8 |
145 |
1120 |
63 |
479 |
260 |
220 |
4-φ18 |
140 |
32 |
100 |
4-M16 |
140 |
32 |
100 |
4-φ18 |
32LG(R)6.5-15 |
9 |
145 |
1170 |
63 |
529 |
260 |
220 |
4-φ18 |
140 |
32 |
100 |
4-M16 |
140 |
32 |
100 |
4-φ18 |
32LG(R)6.5-15 |
10 |
145 |
1220 |
63 |
579 |
260 |
220 |
4-φ18 |
140 |
32 |
100 |
4-M16 |
140 |
32 |
100 |
4-φ18 |
40LG(R)12-15 |
2 |
145 |
710 |
70 |
193 |
260 |
220 |
4-φ18 |
150 |
40 |
110 |
4-M16 |
150 |
40 |
110 |
4-φ18 |
40LG(R)12-15 |
3 |
145 |
800 |
70 |
251 |
260 |
220 |
4-φ18 |
150 |
40 |
110 |
4-M16 |
150 |
40 |
110 |
4-φ18 |
40LG(R)12-15 |
4 |
145 |
880 |
70 |
309 |
260 |
220 |
4-φ18 |
150 |
40 |
110 |
4-M16 |
150 |
40 |
110 |
4-φ18 |
40LG(R)12-15 |
5 |
145 |
1015 |
70 |
367 |
260 |
220 |
4-φ18 |
150 |
40 |
110 |
4-M16 |
150 |
40 |
110 |
4-φ18 |
40LG(R)12-15 |
6 |
145 |
1075 |
70 |
425 |
260 |
220 |
4-φ18 |
150 |
40 |
110 |
4-M16 |
150 |
40 |
110 |
4-φ18 |
40LG(R)12-15 |
7 |
145 |
1170 |
70 |
483 |
260 |
220 |
4-φ18 |
150 |
40 |
110 |
4-M16 |
150 |
40 |
110 |
4-φ18 |
40LG(R)12-15 |
8 |
145 |
1230 |
70 |
541 |
260 |
220 |
4-φ18 |
150 |
40 |
110 |
4-M16 |
150 |
40 |
110 |
4-φ18 |
40LG(R)12-15 |
9 |
145 |
1410 |
70 |
599 |
260 |
220 |
4-φ18 |
150 |
40 |
110 |
4-M16 |
150 |
40 |
110 |
4-φ18 |
40LG(R)12-15 |
10 |
145 |
1465 |
70 |
657 |
260 |
220 |
4-φ18 |
150 |
40 |
110 |
4-M16 |
150 |
40 |
110 |
4-φ18 |
型號 |
級數 |
L |
H |
H1 |
H2 |
B |
b |
n-φd |
進口法蘭 |
出口法蘭 |
||||||
Dj |
Djn |
Dj2 |
n-dj |
Dc |
Dcn |
Dc2 |
n-φdc |
|||||||||
50LG(R)24-20 |
2 |
180 |
885 |
80 |
214 |
300 |
248 |
4-φ23 |
165 |
50 |
125 |
4-M16 |
165 |
50 |
125 |
4-φ18 |
50LG(R)24-20 |
3 |
180 |
985 |
80 |
273 |
300 |
248 |
4-φ23 |
165 |
50 |
125 |
4-M16 |
165 |
50 |
125 |
4-φ18 |
50LG(R)24-20 |
4 |
180 |
1145 |
80 |
332 |
300 |
248 |
4-φ23 |
165 |
50 |
125 |
4-M16 |
165 |
50 |
125 |
4-φ18 |
50LG(R)24-20 |
5 |
180 |
1210 |
80 |
391 |
300 |
248 |
4-φ23 |
165 |
50 |
125 |
4-M16 |
165 |
50 |
125 |
4-φ18 |
50LG(R)24-20 |
6 |
180 |
1275 |
80 |
450 |
300 |
248 |
4-φ23 |
165 |
50 |
125 |
4-M16 |
165 |
50 |
125 |
4-φ18 |
50LG(R)24-20 |
7 |
180 |
1340 |
80 |
509 |
300 |
248 |
4-φ23 |
165 |
50 |
125 |
4-M16 |
165 |
50 |
125 |
4-φ18 |
50LG(R)24-20 |
8 |
180 |
1450 |
80 |
568 |
300 |
248 |
4-φ23 |
165 |
50 |
125 |
4-M16 |
165 |
50 |
125 |
4-φ18 |
65LG(R)36-20 |
2 |
180 |
965 |
90 |
245 |
300 |
248 |
4-φ23 |
185 |
65 |
145 |
4-M16 |
185 |
65 |
145 |
4-φ18 |
65LG(R)36-20 |
3 |
180 |
1120 |
90 |
304 |
300 |
248 |
4-φ23 |
185 |
65 |
145 |
4-M16 |
185 |
65 |
145 |
4-φ18 |
65LG(R)36-20 |
4 |
180 |
1185 |
90 |
363 |
300 |
248 |
4-φ23 |
185 |
65 |
145 |
4-M16 |
185 |
65 |
145 |
4-φ18 |
65LG(R)36-20 |
5 |
180 |
1295 |
90 |
422 |
300 |
248 |
4-φ23 |
185 |
65 |
145 |
4-M16 |
185 |
65 |
145 |
4-φ18 |
65LG(R)36-20 |
6 |
180 |
1390 |
90 |
481 |
300 |
248 |
4-φ23 |
185 |
65 |
145 |
4-M16 |
185 |
65 |
145 |
4-φ18 |
65LG(R)36-20 |
7 |
180 |
1455 |
90 |
540 |
300 |
248 |
4-φ23 |
185 |
65 |
145 |
4-M16 |
185 |
65 |
145 |
4-φ18 |
65LG(R)36-20 |
8 |
180 |
1615 |
90 |
599 |
300 |
248 |
4-φ23 |
185 |
65 |
145 |
4-M16 |
185 |
65 |
145 |
4-φ18 |
型號 |
級數 |
L |
H |
H1 |
H2 |
B |
b |
n-φd |
進口法蘭 |
出口法蘭 |
||||||
Dj |
Djn |
Dj2 |
n-dj |
Dc |
Dcn |
Dc2 |
n-φdc |
|||||||||
80LG(R)50-20 |
2 |
187 |
965 |
112 |
301 |
315 |
272 |
4-φ23 |
200 |
80 |
160 |
8-M16 |
200 |
80 |
160 |
8-φ18 |
80LG(R)50-20 |
3 |
187 |
1195 |
112 |
379 |
315 |
272 |
4-φ23 |
200 |
80 |
160 |
8-M16 |
200 |
80 |
160 |
8-φ18 |
80LG(R)50-20 |
4 |
187 |
1270 |
112 |
457 |
315 |
272 |
4-φ23 |
200 |
80 |
160 |
8-M16 |
200 |
80 |
160 |
8-φ18 |
80LG(R)50-20 |
5 |
187 |
1395 |
112 |
535 |
315 |
272 |
4-φ23 |
200 |
80 |
160 |
8-M16 |
200 |
80 |
160 |
8-φ18 |
80LG(R)50-20 |
6 |
187 |
1505 |
112 |
613 |
315 |
272 |
4-φ23 |
200 |
80 |
160 |
8-M16 |
200 |
80 |
160 |
8-φ18 |
80LG(R)50-20 |
7 |
187 |
1675 |
112 |
691 |
315 |
272 |
4-φ23 |
200 |
80 |
160 |
8-M16 |
200 |
80 |
160 |
8-φ18 |
80LG(R)50-20 |
8 |
187 |
1755 |
112 |
769 |
315 |
272 |
4-φ23 |
200 |
80 |
160 |
8-M16 |
200 |
80 |
160 |
8-φ18 |
100LG72-20 |
2 |
187 |
1185 |
122 |
343 |
315 |
272 |
4-φ23 |
220 |
100 |
180 |
8-M16 |
220 |
100 |
180 |
8-φ18 |
100LG72-20 |
3 |
187 |
1270 |
122 |
432 |
315 |
272 |
4-φ23 |
220 |
100 |
180 |
8-M16 |
220 |
100 |
180 |
8-φ18 |
100LG72-20 |
4 |
187 |
1390 |
122 |
521 |
315 |
272 |
4-φ23 |
220 |
100 |
180 |
8-M16 |
220 |
100 |
180 |
8-φ18 |
100LG72-20 |
5 |
187 |
1580 |
122 |
610 |
315 |
272 |
4-φ23 |
220 |
100 |
180 |
8-M16 |
220 |
100 |
180 |
8-φ18 |
100LG72-20 |
6 |
187 |
1655 |
122 |
699 |
315 |
272 |
4-φ23 |
220 |
100 |
180 |
8-M16 |
220 |
100 |
180 |
8-φ18 |
100LG72-20 |
7 |
187 |
1800 |
122 |
788 |
315 |
272 |
4-φ23 |
220 |
100 |
180 |
8-M16 |
220 |
100 |
180 |
8-φ18 |
100LG72-20 |
8 |
187 |
1900 |
122 |
877 |
315 |
272 |
4-φ23 |
220 |
100 |
180 |
8-M16 |
220 |
100 |
180 |
8-φ18 |
100LG72-20 |
9 |
187 |
2100 |
122 |
966 |
315 |
272 |
4-φ23 |
220 |
100 |
180 |
8-M16 |
220 |
100 |
180 |
8-φ18 |
安裝方法
|
|
|||||||||||||||||||||||||||||||||||||||||||||||||||||||||||||||||||||||||
附件及安裝尺寸
|
|
|||||||||||||||||||||||||||||||||||||
型號 |
聯接板尺寸 |
剛性聯接水泥台座基礎尺寸 |
||||||||||
A×A |
B×B |
C×C |
H |
d1 |
d2 |
D×D |
E×E |
F×F |
H |
d |
h |
|
25LG |
190 |
340 |
400 |
60 |
φ14或φ18 |
φ18 |
191 |
500 |
550 |
250 |
60 |
200 |
32LG |
220 |
440 |
500 |
60 |
φ14或φ18 |
φ18 |
219 |
500 |
550 |
250 |
60 |
200 |
40LG |
220 |
440 |
500 |
60 |
φ14或φ18 |
φ24 |
219 |
500 |
550 |
250 |
80 |
250 |
50LG |
248 |
540 |
600 |
60 |
φ18或φ22 |
φ24 |
248 |
550 |
600 |
350 |
80 |
250 |
65LG |
248 |
540 |
600 |
60 |
φ18或φ22 |
φ24 |
248 |
550 |
600 |
350 |
80 |
250 |
80LG |
272 |
540 |
600 |
60 |
φ18或φ22 |
φ24 |
272 |
600 |
650 |
350 |
80 |
250 |
100LG |
272 |
540 |
600 |
60 |
φ22 |
φ24 |
272 |
600 |
650 |
350 |
80 |
250 |